本開關用于對膠帶輸送機的膠帶運行速度及打滑進行自動檢測的裝置。當檢測到當前轉速信號低于或高于正常轉速范圍,開關輸出兩組開關信號,以供報警或停機。技術參數 電源電壓:AC220V 檢測范圍:0.5m/s~9.99m/s 脈 沖:6~120Hz 轉 速:0~999轉/分 開機延時:10秒 開關與目標距離:10~20mm 開關數量:1組常開 1組常閉 觸點容量:24~380V AC/DC 電流1A外形尺寸安裝示意設置說明 1、按“”鍵數碼管個位閃爍,通過“”鍵和“”輸入“123”,再按“”鍵進入速度設置(出廠預設“055”轉)通過“”鍵和“”鍵修改打滑速度,再按“”鍵,打滑設置完畢(一般打滑速度的設置為低于機器正常轉速的20%-30%);. 2、同上步驟輸入“345”,低于設定進行吸合延時設置0-60秒可調(出廠預設“1”秒); 3、通電啟動延時5秒(系統默認)無設置; 4、同上步驟輸入“456”,歸零動作啟動延時設置0-60秒可調(出廠預設“10”秒); 5、同上步驟輸入“789”,歸零延時設置0-60秒可調(出廠預設“10”秒); 6、面板上的常開為高于設置轉速時的狀態(常開),另外一組常閉為高于設置轉速時的狀態(常閉); 7、當轉速低于設置轉速時面板上的常開閉合,常閉斷開。紅燈亮(通電狀態)?! ?、當轉速為“0”時,動作延時0-60秒可調(出廠預設10秒)轉為正常動作轉速。
咨詢熱線:18639159095
在線詢價本開關用于對膠帶輸送機的膠帶運行速度及打滑進行自動檢測的裝置。當檢測到當前轉速信號低于或高于正常轉速范圍,開關輸出兩組開關信號,以供報警或停機。
技術參數
電源電壓:AC220V 檢測范圍:0.5m/s~9.99m/s
脈 沖:6~120Hz 轉 速:0~999轉/分
開機延時:10秒 開關與目標距離:10~20mm
開關數量:1組常開 1組常閉
觸點容量:24~380V AC/DC 電流1A
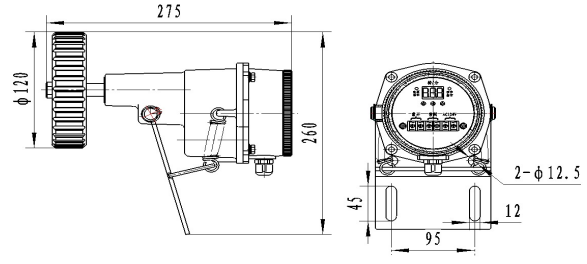
外形尺寸

安裝示意

設置說明
1、按“”鍵數碼管個位閃爍,通過“”鍵和“”輸入“123”,再按“”鍵進入速度設置(出廠預設“055”轉)通過“”鍵和“”鍵修改打滑速度,再按“”鍵,打滑設置完畢(一般打滑速度的設置為低于機器正常轉速的20%-30%);.
2、同上步驟輸入“345”,低于設定進行吸合延時設置0-60秒可調(出廠預設“1”秒);
3、通電啟動延時5秒(系統默認)無設置;
4、同上步驟輸入“456”,歸零動作啟動延時設置0-60秒可調(出廠預設“10”秒);
5、同上步驟輸入“789”,歸零延時設置0-60秒可調(出廠預設“10”秒);
6、面板上的常開為高于設置轉速時的狀態(常開),另外一組常閉為高于設置轉速時的狀態(常閉);
7、當轉速低于設置轉速時面板上的常開閉合,常閉斷開。紅燈亮(通電狀態)。
8、當轉速為“0”時,動作延時0-60秒可調(出廠預設10秒)轉為正常動作轉速。

可為焦作森科智能輸送技術有限公司提供研發、試制、生 產和資金等保障
- 上一篇:JLDM-X型溜槽堵塞保護裝置
- 下一篇:JDH-F2型打滑檢測裝置